1、採用進口不銹鋼材料,耐用及清洗方便。
2、高品質卧式减速馬達,確保噪音低及持久耐用。
3、混合力强,3分鐘内混合完全。
4、料桶可作100°傾斜,軸與槳片360°旋轉。
5、機蓋附有保護開關,操作绝對安全。
首页 / 产品中心 / 计量混合世界杯(中国)一站式服务官网
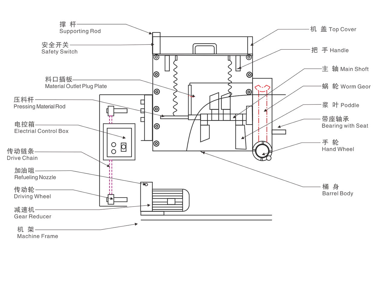
横式搅拌机
横式搅拌机 适用于新料与回收料、粒料与粉料和配色精度要求不高的原料与色母混合搅拌。桨叶片采用加厚不锈钢制作,与桶壁距离精密计算,拌料迅速、均匀。配用摆线针轮减速电机,噪音低,持久耐用。料桶可倾斜100°,方便卸料。
在线咨询 服务热线:0512-66106021-3
1、採用進口不銹鋼材料,耐用及清洗方便。
2、高品質卧式减速馬達,確保噪音低及持久耐用。
3、混合力强,3分鐘内混合完全。
4、料桶可作100°傾斜,軸與槳片360°旋轉。
5、機蓋附有保護開關,操作绝對安全。

条件:新的
材料:不锈钢、不锈钢
产量(公斤/小时):25 - 300 公斤/小时
容量(公斤):25
视频外检:可提供
机械测试报告:可提供
营销类型:新产品2020
核心部件保修:1年
核心组件:发动机,马达
应用:塑料颗粒混色
自动等级:自动的
产地:中国江苏
品牌名称:TongYi
电压:380V或定制
尺寸(长*宽*高):720X720X920MM
保修:1年
重量(公斤):25公斤
功率(千瓦):0.75
适用行业:建筑材料店、制造厂、机械维修店、零售、能源和采矿
展厅位置:埃及、加拿大、土耳其、英国、美国、意大利、法国、德国、越南、菲律宾、秘鲁、沙特阿拉伯、印度尼西亚、巴基斯坦、印度、墨西哥、俄罗斯、西班牙、泰国、摩洛哥、肯尼亚、韩国、智利、阿联酋、哥伦比亚、阿尔及利亚、斯里兰卡、罗马尼亚、孟加拉国、南非、乌克兰、尼日利亚、马来西亚、澳大利亚
产品名称:立式混色器
关键词:塑料高速搅拌机
名称:塑料混合机
类型:塑料混料机
原料:PVC木塑粉
适用于:塑料原料混合
用法:混合塑料材料
功能:混合塑料原料
提供的售后服务:在线支持


prev: 螺杆式大型立式搅拌机
next:THA系列色母机